先日、健康診断の結果が返ってきました。。
肥満1度でした。。
という訳で、夕飯は炭水化物を抜いています!!
それでも絶好調やっしーーです!!
さて、本題です。

今回のテーマは、
某世界的ファストファッションブランドの商品名にもなっている
エクストラファインメリノ。
これってなーに?
通常のウールよりも良質な感じ?
通常のウールと何が違うの?
こんな質問に答えを出していきます。
まずは、このワードの意味から。
目次
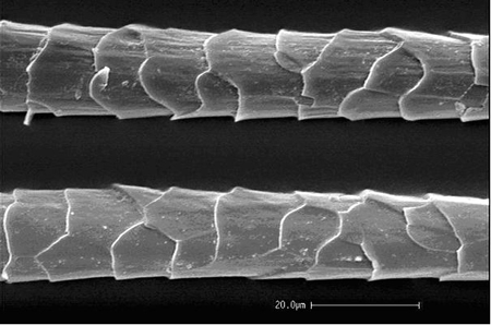
マイクロンって何??
マイクロンとは繊維の太さの単位で、
数字が小さいほど繊維は細くしなやかなモノになります。
記号にするとこんな感じです→µ
※因みにマイクロンを英和訳すると100万分の1メートルです。
では、エクストラファインメリノは何マイクロン??
ウールの品質名とマイクロンの関係です
ストロングメリノ 23~25マイクロン
ファインメリノ 20~22マイクロン
エクストラファインメリノ 18.5~19.5マイクロン
スーパーエクストラファインメリノ 16.5~17.5マイクロン
と、ウールは太さによってこのようにランク分けされているんです★
ただ、、、
お店で、このセーターのウールは18.5マイクロンですよ~♪
なんて書いてあるわけじゃないので、、
商品選びの参考になるかはわかりませんが、、、笑
まとめ
エクストラファインメリノは通常のウールよりも細くしなやか。
そのため、製品になった時に滑らかな風合いと、軽さを実現します。
では今回はこの辺で☆
お付き合いいただきありがとうございました。
次回もよろしくお願い致します。
